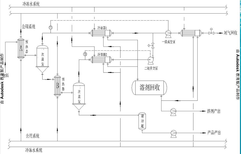
真空系统的设计

根据客户的工艺条件,产品质量要求,我们可针对性的为客户提供合理的真空系统。
设计特点
1、 本公司设计的真空系统安全,可靠,能耗低,投资少,占地面积小。
2、 真空系统的分级设计,逐渐提出物料中的溶剂,可获得高质量的产品。
3、 可实现全自动控制,减少人为操作带来的安全风险。
4、 可安装在线氧分析仪,全程监控真空系统安全泄漏量,当氧含量超标时,真空系统自动停车并补氮气保护。
5、 当发生停电等异常时,真空系统可自动封闭,异常处理后可快速恢复生产。
6、 本公司并可提供真空系统尾气回收装置,溶剂回收率高达98%以上。
应用领域
化工及制药,环境工程,印刷等领域,尤其适合易燃易爆装置的真空系统的使用。
相关产品
recommend










